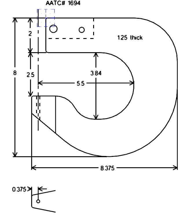
1694

 

Rated For 351C
Reach 5 1/2"
Gap 2 1/2"
Gap Behind Nose 3 27/64"